用途

+適用于二氧化碳提取、靜壓軸承潤滑、尿素生產、石油生產等行業應用。

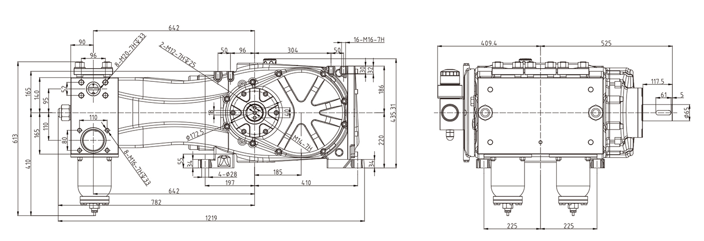
材質

+ 球墨鑄鐵箱體,不銹鋼泵頭。

特點
1、 結構緊湊,低轉速高壓力,大流量,輸送介質流動性好。

2、新型進出水單向止回閥保證了液力端運轉高效、穩定。

3、可拆卸式填料函組件,便于維護。